建造師
一級建造師 二級建造師
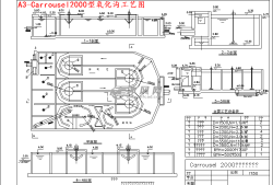
污水進入氧化溝和活性污泥充分混合,再通過曝氣裝置特定的定位作用進而產生曝氣推動,使得污水與污泥在閉合渠道內成懸浮狀態做不停的循環,污泥在...
由于現在很多別墅業主都習慣將露臺陽臺封閉起來打造成陽光房使用,一些露臺陽臺陽光房設計效果圖時收到了這樣的疑問陽臺就是陽臺,都封上干嗎大別...
無論是傲慢還是偏見,在某一瞬間它們是可以被了解的,但在總體上它們永遠超越人類的度量能力而閱讀簡·奧斯汀有助于我們超越令人不快的現實生活,...
施工要求1伸縮縫兒墻水平鋼筋貫通綁扎,伸縮縫內預留75px厚聚苯乙烯泡沫板2聚苯板兩面包三厘板,增加剛度避免在混凝土澆筑時破壞伸縮縫幾何...
多選題山地規劃分類的類型的依據,主要依據在于陽光和海拔高度和溫度這三個方面;5山地項目場地高低起伏大,因此規劃設計時道路布置受制約因素較...
這個污水處理廠是北京市朝陽區高碑店鄉境內,是我國第三大的污水處理廠具體地址河北省保定市高碑店市白溝鎮白二村。 潛在工業用戶高碑店污水處理...
有賠償在中國,對于農田水災造成的損失,政府會采取一定的救災和補償措施當農田遭受水災等自然災害后,政府會提供一定的災后補助,以幫助農民恢復...
CAD的縮放命令最常用的是sc,可以輸入縮放比例。但是當無法計算需要縮放比例大小時,很多朋友就不知所措了,現在我來分享一下非整數比例...
1、徠卡Laica_TPS1200+系列全站儀用戶手冊pdf 徠卡Laica_TPS1200系列全站儀技術手冊pdf 可以參照使用說明書...
1、目前老莊結構學院擁有12名講師,絕大部分具有碩士學位一級注冊工程師資格證高級工程師職稱老莊結構院以培養高水平具有實戰能力的建筑結構設...
要強迫自己做幾個綜合實例,分別詳細地進行圖形的繪制,使自己可以從全局的角度掌握整個繪圖過程,力爭使自己學習完AutoCAD課之后就可以投...
質量監督及工程監理方向 代表職位監理工程師 工程檢修方向 福代表職位軌道交通及鐵路工務部門工程師,一般是建設單位內部的工程技術人員 公務...
1、為中國的養豬業尋找一條全新的路子網易養豬場地址在浙江省湖州市安吉縣,總面積約1200畝左右,主要負責人為網易CEO丁磊,根據網易農業...
1、馬路為水平點以下稱為地下室農村別墅戶型圖地下室為復合兩層,廚房和餐廳在地下室復層地下室的第二層,主客廳和多功能房均在地下室,大廳空間...
斯里蘭卡盧比與人民幣無匯率,要通過斯里蘭卡盧比與美元的匯率來換算,1000斯里蘭卡盧比折算47元人民幣這是菲律賓的紙幣,面額1000比索...
1、在安裝新版本之前,我們需要卸載舊版本的天正75軟件打開控制面板,找到“程序和功能”選項在程序列表中,找到天正75軟件,右鍵點擊并選擇...